Всем здравствуйте
Впервые на этом сайте выкладываю три из пяти вариантов усилителя с общей базой.
Разработчик Александр Павлович Дерий (Челябинск), схемы опубликованы с его согласия.
Я всегда был заинтересован в гибридных усилителях, но такого схемного решения ранее не видел.
Схемы выложены как есть, нарисованы Александром Павловичем
Звук зависит от применяемого трансформатора и лампы.
В простом случае можно применить обычный трансформатор ТВЗ-9. Дополнительно наматываем в два провода 0,5-0,7 мм 30 витков вторичной обмотки
Если намотаете трансформатор на ОСМ 0,063 или ОСМ 0,1 и поместите вторичные обмотки посередине первичных обмоток, то полоса будет 20 гц -20 кгц в линейку +-0.5 Дб, в крайнем случае +-1Дб
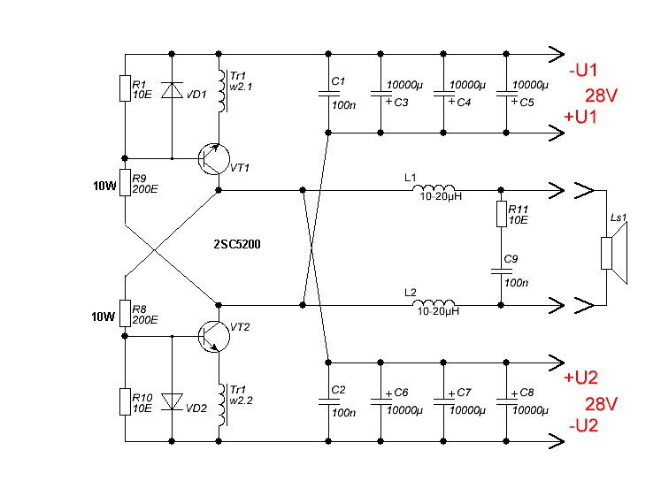
Выходные транзисторы любые на Ваш вкус типа 2SC5200 2SA1943 в эмиттеры обязательно ставить ферритовые бусинки
Нагружать усилитель строго на 8ом
Входной каскад испытывался и с другими лампами. Эксперимент всем в помощь.
Усилитель имеет очень ясный и динамичный звук.
Дополнительно, здесь, я буду выкладывать и другие схемы Александра Павловича.
С уважением, Евгений Вильгаук
RADIOCATALOG@YA.RU
Ниже предоставлены фото прототипа усилителя Александра Дерия
Это один из вариантов, очень хорошо звучащих Ver 1.1. Драйвер раскачки для транзисторов 6Н8С плюс на выходе 6П6С. Все лампы 50-60 годов. Звук был на высоте!
Кстати! Шасси для ламп были использованы от поделки от юных радиолюбителей, проходящих практику из Радиотехникума гор. Челябинска в 2013 году в фирме РадиоКаталог










