СТАБИЛИЗИРОВАННЫЙ ОДНОТАКТНЫЙ
КАСКАД НА ВАКУУМНОМ ТРИОДЕ
Евгений Карпов 2011год
.
В статье приведена схема и рассмотрен принцип работы лампового выходного каскада с повышенной линейностью.
.
.
.
Эта статья является логическим завершением темы, начатой еще в 2003 году в статье «Гибридный
мир». Там впервые была рассмотрена схема с динамически управляемым током нагрузки источником тока в твердотельном повторителе. В дальнейшем, этот принцип был перенесен в ламповую схемотехнику («Принцесса»).
Катодные повторители такого типа имеют отличные характеристики, но коэффициент передачи меньше 1 создает определенные сложности при построении драйвера.
Перенос управляемого источника тока в анодную цепь лампы позволяет получить от выходного каскада коэффициент усиления близкий к µ лампы и существенно повысить линейность каскада.
Получившийся выходной каскад имеет два ассиметричных активных плеча, и его уже нельзя однозначно отнести к однотактному каскаду, хотя сигнал непосредственно усиливается только одним плечом.
Формально, такой каскад можно рассматривать как модификацию двухтактного каскада – есть два плеча, работающих (условно) в противофазе. Но второе плечо управляется током нагрузки, а не противофазным входным сигналом.
Каскад обладает смешанным набором признаков и не соответствует ни одному классическому определению выходного каскада в полном объеме.
Я все-таки больше склонен его считать однотактным каскадом с стабилизацией динамического режима лампы.
Исходя из этого, и появилось название –
Стабилизированный Однотактный Каскад
(Equalized Single End – ESE).
Как он работает?
На рисунке 1 показаны две схемы: классический однотактный каскад (a) и каскад ESE (b).

Рисунок 1а комментариев не требует.
Каскад ESE сложнее: в цепь анода лампы включен управляемый источник тока I. Управляющее воздействие для него формируется из двух составляющих: I0 – ток покоя каскада и тока нагрузки IL с масштабным коэффициентом –К.
Предположим, что оба каскада имеют одинаковый ток покоя и одинаковую выходную мощность. Соответственно, ток нагрузки (IL) будет одинаковым, также будем считать лампу достаточно линейной, а трансформатор — идеальным.
На рисунке 2 показаны эпюры токов в обоих каскадах.
Допустим, на вход каскада поступает положительная полуволна сигнала. В классическом каскаде это приведет к отпиранию лампы и нарастанию ее тока, так как через лампу будет протекать сумма тока нагрузки и тока покоя – IL+I0=IV.

В ESE каскаде картина будет другая.
Отпирание лампы приводит к возникновению тока нагрузки, и ток через лампу начинает нарастать. Информация о токе нагрузки с датчика тока с некоторым масштабным коэффициентом поступает на вход источника тока, выходной ток источника тока начинает уменьшаться, что частично компенсирует нарастающий ток нагрузки через лампу.
Соответственно, эквивалентное изменение тока лампы уменьшится. Изменение полярности входного сигнала приведет к такому же эффекту
– изменение направления тока нагрузки будет вызывать увеличение тока источника тока так, что изменение тока лампы уменьшится.
Если перейти к более строгой терминологии, то можно сказать: в каскад добавлена разомкнутая следящая система, уменьшающая диапазон динамического изменения тока лампы.
А зачем это вообще надо?
Для прояснения этого вопроса построим нагрузочные прямые для обоих типов каскадов непосредственно на анодных характеристиках лампы (Рисунок 3).

Черная линия соответствует классическому каскаду или К=0, толстая красная линия — К=0.7.
Возможные промежуточные положения показаны пунктиром.
Из рисунка хорошо видно, что введение динамической стабилизации тока приводит к развороту и уменьшению длины нагрузочной прямой при одинаковом размахе переменного напряжения на аноде.
Если посмотреть на это дело с «позиций» лампы, то это эквивалентно изменению приведенного сопротивления нагрузки. При К=1 нагрузочная линия становится параллельной оси абсцисс, чтоэквивалентно работе лампы на холостом ходу.
Если теперь обратиться к графикам, показывающим изменение параметров лампы от тока анода (Рисунок 4), то становится понятным, что уменьшение изменения размаха тока анода и,
соответственно, длины нагрузочной линии, повышает линейность каскада и стабилизирует его выходное сопротивление.

Дальнейшее повышение линейности каскада и уменьшения его выходного сопротивления можно достигнуть оптимальным совместным выбором рабочей точки и коэффициента К.
Все эти выводы делались в предположении, что управляемый источник тока искажений не вносит. На самом деле источник тока имеет собственные искажения, хотя и весьма малые.
Это приводит к отклонению мгновенного положения точки нагрузочной прямой от расчётного значения и росту искажений на выходе каскада.
Собственно говоря, увеличиваются искажения, генерируемые самой лампой. Прямого векторного суммирования гармоник здесь не происходит.
Ток или напряжение?
В принципе, для управления источником тока можно использовать как ток нагрузки, так и напряжения на ней.
В некоторых твердотельных усилителях мощности можно встретить такое решение.
Но это утверждение справедливо только в одном случае — если нагрузка имеет активный характер.
Общеизвестно, что реактивный характер нагрузки (большинство реальных нагрузок такими и есть) каскада превращает нагрузочную линию в эллипс. Управление источниками тока по напряжению на нагрузке приводит к тому, что искажение нагрузочной кривой происходит значительно быстрее, чем в классическом каскаде.
В общем, это понятно – фазовые сдвиги между током и напряжением на нагрузке приводят к нарушению режима компенсации, развороту нагрузочной линии и ухудшению параметров каскада.
На рисунке 5 показан эффект от включения маленькой индуктивности в цепь нагрузки.
Верхний график соответствует управлению по току нагрузки,
нижний – по напряжению.

При реактивной нагрузке, если источник тока управляется током нагрузки, то ESE каскад практически ничем не отличается по поведению от классического каскада.
.
Где спряталась обратная связь?
.
Формально анализируя структуру каскада, можно сказать, что в каскаде присутствует местная обратная связь по току нагрузки. Но механизм действия этой ОС существенно отличается от механизма действия классической ОС.
Классическая интерпретация предполагает векторное суммирование входного сигнала с выходным и подачи суммарного сигнала на вход усилителя.
В данном случае этого нет, сигнал ОС воздействует непосредственно на параметры нагрузочной линии лампы.
Честно говоря, я бы даже воздержался от употребления термина «обратная связь».
Вывод основных соотношений, определяющих параметры каскада в зависимости от К, далеко выходит за рамки этой статьи, и поэтому ограничимся характеристиками его влияния на каскад в зависимости от его значения.
Выходное сопротивление каскада в основном определяется выходным сопротивлением лампы и мало зависит от коэффициента К.
Коэффициент усиления каскада увеличивается с увеличением К и стремится к значению µ лампы при К=1.
Частотные свойства каскада не зависят о величины К.
Функция линейности каскада от величины К имеет экстремум. Точка экстремума зависит от вы-
бранного режима лампы и ее характеристик.
В каскаде отсутствует эффект обогащения спектра вне зависимости от величины К.
.
Техническая реализация
.
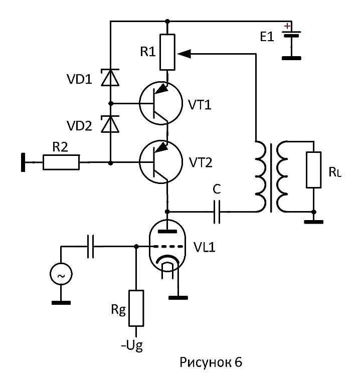
Хотя структурная схема каскада выглядит довольно устрашающе, один из вариантов его технической реализации получается довольно простым, я бы даже сказал – изящным. В качестве примера на рисунке 6 показан выходной каскад усилителя для головных телефонов.

В анодную цепь мощного триода (6С19П) включен каскодный источник тока на транзисторах VT1, VT2.
Нагрузка через разделительную емкость подключена к аноду лампы и к токозадающему резистору R1 источника тока.
При отсутствии сигнала напряжение стабилитрона VD1 и резистор R1 задают ток покоя каскада. При появлении сигнала на входе ток сигнала начинает протекать через резистор R1 (резистор выполняет функции датчика тока). Появление дополнительного тока в этой цепи эквивалентно изменению
номинала токозадающего резистора, что, соответственно, приводит к модуляции выходного тока источника тока. Изменяя положение движка резистора, можно изменять масштабный коэффициент
К приблизительно в пределах 0÷0.9, не изменяя тока покоя лампы.
Теперь источник тока можно рассматривать и как усилитель с токовым входом и токовым выходом. Усилитель обладает достаточной линейностью, уровень искажений (при максимальном размахе выходного тока) не превышает долей процента и полосой, простирающейся до единиц мегагерц. Поэтому эффект компенсации сохраняется до частот, лежащих гораздо выше звукового диапазона частот, и частотные свойства всего каскада определяются исключительно трансформатором.
Собственно каскад имеет следующие параметры: выходная мощность – 1W, мощностная полоса 12Hz÷40kHz, коэффициент гармоник — ~0.8%.
На рисунке 7 показан спектр искажений при выходной мощности 1 и 0.25 ватта.

Каскад имеет совершенно типичный для однотактных схем спектр искажений: малое число гармоник и их быстрый спад, вторая гармоника — доминирующая.
Уменьшение выходной мощности приводит к быстрому спаду уровней гармонических составляющих, высшие гармонические составляющие спадают быстрее.
.
Заключение
.
При прочих равных условиях использование ESE выходного каскада позволяет заметно повысить линейность усилителя и при этом сохранить характерные особенности звука однотактных схем.
Каскад обладает лучшей переходной характеристикой по сравнению с классическим вариантом, и в нем меньше выражена асимметрия фронтов при усилении импульсных сигналов.
В целом, звуковой «почерк» каскада определяется, в основном, именно лампой и ее режимом работы.
Несколько спорным моментом является работа трансформатора без подмагничивания.
Но выбором соответствующего типа материала сердечника и, учитывая, что в тех же габаритах трансформатора
можно получить индуктивность намагничивания в 1.5÷2 раза больше, можно значительно снизить негативное влияние нелинейного тока намагничивания сердечника.
На мой взгляд, очень важным преимуществом каскада является возможность гибкого управления режимом работы в широких пределах для получения желаемого характера звука.
В принципе, схемотехнику можно без особых проблем перенести и на полностью твердотельные устройства.
.
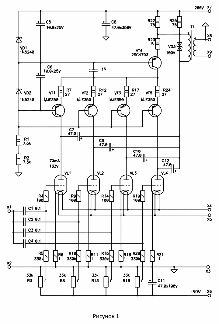
Приведенная ниже схема
является практическим примером
реализации мощого выходного ESE
каскада.

Реализация достаточно мощного
выходного каскада имеет ряд
особенностей, свсвязанных в основном c
ограничениями элементной базы.
Дело в том, что номенклатура
мощных высоковольтных PNP или P‐MOSFET
транзисторов очень ограничена,
и наиболее просто схема реализуется
на лампах с относительно низкими
рабочими напряжениями.
В принципе, нет никаких теоретических
ограничений на тип применяемой
лампы, но использование «высоковольтных»
ламп приводит к некоторому усложнению схемы.
Чтобы обойти эти ограничения,
каскад реализован на четырех параллельно
включенных лампах 6С19П.
Лампы выходного каскада включены и по постоянному,
и по переменному току параллельно.
Для балансировки токов ламп
была немного модифицирована схема
управляемого каскодного источника
тока. Собственно ток покоя всего каскад
а задает источник тока на транзисторе
VT4,
динамическое управление величиной
выходного тока осуществляется
введением сигнала, пропорционального
току нагрузки в эмиттер этого транзистора.
Величину коэффициента К можно регулировать
изменением соотношения резисторов R
23 и R22 ӏӏ R25.
Суммарное сопротивление этих резисторов (R23 + R22 ӏӏ R25) должно оставаться постоянным для обеспечения неизменного тока покоя каскада. На время настройки эти резисторы целесообразно заменить на мощный переменный резистор.
Выходная ступень источника тока разделена на четыре канала, образованных транзисторами VT1, VT2, VT3, VT5.
Включение в их эмиттеры дополнительных резисторов обеспечивает равномерное распределение токов через
лампы (погрешность не превышает нескольких процентов). Это позволяет (при стабилизированном питании каскада) загружать лампу по мощности на 90÷95% без риска ее повредить.
Такое построение каскада позволяет наращивать выходную мощность простым параллельным включением дополнительных ячеек.
По переменному току все аноды ламп объединены через суммирующие емкости (С7, С9, С10, С12). Эквивалентное выходное сопротивление каскада со стороны анодов находится на уровне 100 – 120 Ом. Весьма низкое выходное сопротивление и отсутствие подмагничивания в трансформаторе существенно облегчает его реализацию и позволяет минимизировать влияние
нелинейности тока намагничивания сердечника.
Лампы работают с фиксированным смещением, и режим работы каждой лампы может регулироваться независимо резисторами R3, R8, R13, R18. По переменному току сетки ламп включены параллельно через разделительные емкости.
На первый взгляд, такое решение может показаться громоздким, но позволяет использовать лампы без особого предварительного подбора, подобрать 8 ламп в любительских условиях с идентичными характеристиками довольно сложно.
Отрицательным моментом является повышенная нагрузка на драйвер из‐за сеточных резисторов.
Параллельно первичной обмотке включен супрессор (VD3), он защищает источник тока от повреждения при
перегрузке усилителя и припереходных процессах при включении. Для полного исключения теоретического влияния цепи защиты супрессор можно заменить на вакуумный разрядник с напряжением срабатывания 90‐100 вольт.
Собственно выходной каскад имеет следующие параметры:
Максимальная выходная мощность 8W
Номинальное сопротивление нагрузки 8 Ω
Коэффициент усиления (без учета выходного трансформатора) ̴2.5
Выходное сопротивление ̴1.2Ω
Мощностная полоса 10Hz÷30kHz
Напряжение возбуждения ̴18Vrms
Потребляемая мощность по анодной цепи ̴80W
С точки зрения внешнего наблюдателя схема ведет себя как классический однотактный каскад, но обладает
лучшей линейностью и лучшими динамическими характеристиками по сравнению с классической реализацией.
Большой ток покоя позволяет усилителю хорошо справляться со сложными нагрузками. Субъективно это выражается в лучшей проработке деталей и ровном тональном балансе. Ниже приведены зависимости общего коэффициента гармоник и
распределения уровней гармоник
от выходной мощности.


Приятной неожиданностью оказалось линейное возрастание искажений с ростом выходной мощности вплоть до начала ограничения, ну и то, что гармоник мало – само собой. Это говорит о том, что форма огибающей искажений, близкая к благоприятной, сохраняется во всем диапазоне выходной мощности. Для лучшего представления о характере вносимых искажений на рисунках 4 и 5 показан спектр при двух уровнях выходной мощности (1W и 9W).

Никаких особых требований по реализации такого каскада в «железе» нет. Выходные транзисторы многоканального источника тока желательно разместить на общем радиаторе соответствующей площади (рассеиваемая
мощность порядка 30 ватт), чтобы обеспечить одинаковую температуру кристаллов. А транзистор VT4 ‐ на отдельном радиаторе с площадью порядка 100см2
. В макетном варианте источник тока был собран как отдельный узел с
принудительным охлаждением тихоходным вентилятором. Отдельно надо остановиться на суммирующих емкостях С7, С9, С10, С12. В макете использовались емкости Nichicon, в принципе ничего не мешает (кроме стоимости) заменить их на пленочные или бумажные емкости и немного уменьшить их номинал. Здесь следует иметь в виду, что уменьшение номинала емкости приводит к сдвигу частоты резонанса контура, образованного эквивалентной емкостью и индуктивностью намагничивания трансформатора в область звуковых частот. В результате вы можете получить нежелательный (или желательный) подъем АЧХ каскада в области низких частот.
Напряжение питания каскада должно быть тщательно отфильтровано, а источник питания иметь достаточную энергетику. Амплитуда тока, потребляемого от источника, может достигать 360mA. Идеальный вариант ‐ стабилизированная система питания.
Индуктивность намагничивания трансформатора выбрана достаточно большой – 2 Генри. Это позволяет,
учитывая маленькое выходное сопротивление каскада, минимизировать влияние нелинейных составляющих тока намагничивания сердечника. Трансформатор намотан на сердечнике ШЛМ 25х32 из стали 3413 с глубоким секционированием
Первичная обмотка содержит 7 секций провода ПЭЛ‐0.27 по 135 витков, между секциями первичной обмотки
намотаны 6 секций вторичной обмотки по 36 витков провода ПЭВ2 ‐1.12. Намотка рядовая, межсекционная изоляция ПЭТ пленка толщиной 0.1мм в два слоя. Такая конструкция позволяет получить исключительно низкую индуктивность рассеяния. В принципе, сердечник имеет несколько завышенные габариты. Для прототипа использовались сердечники и обмоточные провода, имеющиеся в наличии. В итоге, окно трансформатора не заполнено полностью. Так что при желании над трансформатором можно еще поработать в направлении оптимизации его параметров – снижения сопротивления обмоток и увеличения индуктивности намагничивания.
Для сердечника также
вполне пригодны широко распространенные стали 3410, 3411. При выборе магнитопровода надо подыскивать сердечник с приблизительно таким же сечением, но меньшей длиной магнитной линии. Возможно, потребуется пересчет числа витков обмоток, только надо сохранить значение коэффициента трансформации между первичной и вторичной обмотками.
Налаживание каскада при правильной сборке не вызывает особых сложностей. На сетках ламп устанавливают напряжение смещения порядка ‐35 вольт. Анодное напряжение устанавливают 160‐170 вольт, устанавливают на анодах ламп напряжение около 130 вольт (регулировкой напряжения смещения), и контролируют ток каждой лампы.
В случае необходимости подстраивают общий ток каскада регулировкой (R25 или R22). Допустимый разброс токов ламп 2‐3mA. Потом повышают анодное напряжение до номинального и подстраивают напряжения на анодах ламп.
При желании, заменив резисторы R23, R22, R25 на переменный резистор (трансформатор подключа‐
ется к среднему выводу), можно на слух подстроить значение коэффициента К.
В последнюю очередь проверяют отсутствие самовозбуждения источника тока.
При наличии самовозбуждения (зависит от монтажа) устанавливают и
подбирают корректирующую емкость.
В заключение хочу сказать, что в каскаде были опробованы и другие типы ламп, имеющих близкие пара‐
метры. Испытывались лампы 6Н5С и 6Н13С, и вот что получилось в такой схеме. Наихудший результат показала
лампа 6Н13С, 6Н5С заняла второе место, и лучший результат получился с 6С19П.
Что примечательно, на субъективное восприятие в большей степени влияет не интегральная характеристика – коэффициент гармоник, а их огибающая
