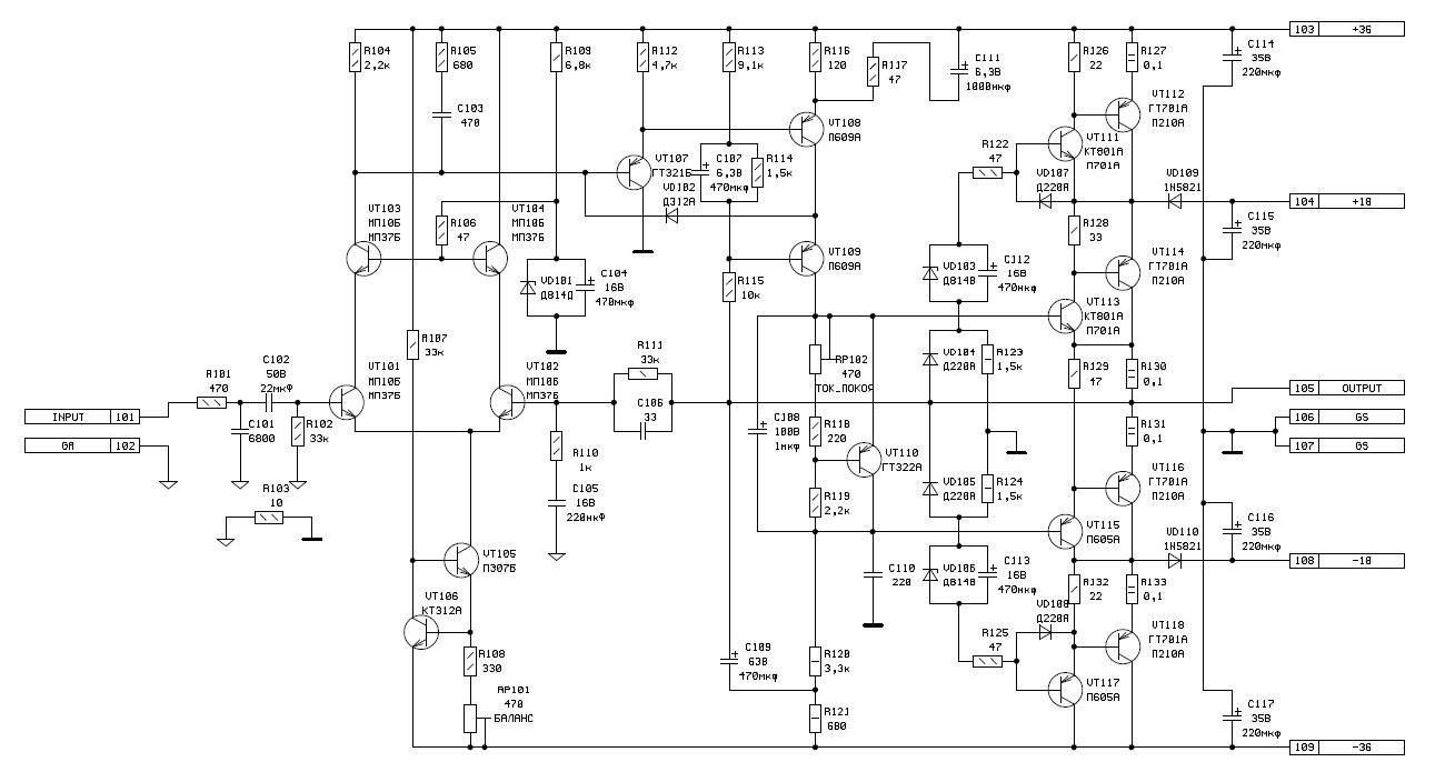
В порядке доведения дурака до кондиции для любителй германия разработан и опробован усилитель для сабвуфера на германиевых транзисторах с выходным каскадом на П210. Мощность 100 Вт. Выходной каскад класса G. Топологический рисунок не разрабатывался. Макет собран на крокодиле. Все транзисторы используются в пределах безопасных режимов по ТУ, без использования технологических запасов по предельным параметрам. При проектировании и испытаниях домашние животные не пострадали.
Синусоидальная мощность 90 Вт при 4 Ома 1 кГц.
Искажения 0,05% при 10 Вт 4 Ома 1 кГц.
Искажения 0,2% при 70 Вт 4 Ома 1 кГц.
Для использования в широкую полосу транзисторы П210 нужно заменить на высокочастотные ГТ806, 1Т806, 1Т813.
И пересчитать коррекцию.
Автор Владимир Перепёлкин
При использовании на выходе транзисторов П4ГЭ, требуется их поставить в пары, или снизить напряжения до +- 13-26 вольт

Немного теории
Класс G:**
* Принцип: «Интеллектуальная» версия класса AB. Использует несколько пар шин питания с разными напряжениями (обычно две пары: +Vlow/-Vlow и +Vhigh/-Vhigh, гдеVhigh значительно больше Vlow)
При малых уровнях сигнала усилитель питается от шин низкого напряжения (Vlow)Когда сигнал превышает порог, который могут обеспечить низковольтные шины, схема мгновенно переключается на шины высокого напряжения (Vhigh).
* Цель: Значительно повысить КПД (особенно при средних уровнях громкости, где усилитель работает большую часть времени) по сравнению с классом AB, сохраняя качество звука класса AB. Уменьшить рассеиваемую мощность и тепловыделение.
* Основа: По сути, класс G включает в себя усилитель класса AB (работающий на Vlow) и дополнительную схему переключения питания и управления.
Ключевые отличия:
| Характеристика | Класс AB | Класс G |
|---|---|---|
| Схема питания | Одна пара шин (+V/-V) | Две (или более) пар шин (+VL/-VL, +VH/-VH) |
| Переключение питания | Нет | Да, автоматическое по уровню сигнала |
| КПД (Эффективность) | Средний (60-70%) | Высокий (70-85% и выше) |
| Рассеиваемая мощность | Высокая, особенно на средней громкости | Значительно ниже на средней громкости |
| Тепловыделение | Высокое, требует больших радиаторов | Ниже, радиаторы могут быть компактнее |
| Сложность схемы | Относительно простая | Более сложная (доп. шины, схема переключения) |
| Стоимость | Ниже | Выше |
| Потенциальные искажения | В основном гармонические | Гармонические + возможны продукты переключения (при плохой реализации) |
| Качество звука (при равной схемотехнике) | Очень хорошее | Сопоставимо с AB (в хорошо спроектированных моделях) |
Плюсы и минусы:
- Класс AB:
- Плюсы:
- Хороший компромисс между качеством звука (низкие искажения) и КПД.
- Относительно простая и отработанная схема.
- Низкая стоимость производства.
- Предсказуемые характеристики.
- Отсутствие искажений, связанных с переключением.
- Минусы:
- Значительная часть энергии (30-40%) теряется в виде тепла на выходных транзисторах и радиаторах, особенно при средней громкости (когда напряжение сигнала далеко от нуля, но не достигает максимума).
- Высокое тепловыделение требует больших радиаторов и эффективного охлаждения.
- Меньшая энергоэффективность -> больший счет за электричество, больше нагрузка на блок питания.
- Плюсы:
- Класс G:
- Плюсы:
- Главный плюс: Высокий КПД. Значительно меньше энергии тратится впустую на нагрев по сравнению с AB, особенно при реальных (не максимальных) уровнях громкости.
- Значительно меньшее тепловыделение. Позволяет делать усилители компактнее или мощнее при тех же габаритах радиаторов.
- Меньшая нагрузка на блок питания и сеть.
- Потенциально большая выходная мощность при тех же силовых компонентах (за счет использования высоковольтных шин для пиков).
- Качество звука может быть очень близко к хорошему классу AB.
- Минусы:
- Более сложная схема: Требует дополнительных обмоток трансформатора/отдельных источников питания, силовых переключающих элементов (транзисторов, диодов), схемы управления переключением.
- Выше стоимость: Из-за сложности схемы и большего числа компонентов.
- Потенциальные искажения переключения: При плохой реализации схемы переключения (недостаточно быстрые ключи, плохая стабильность напряжения на шинах при переключении) могут возникать слышимые артефакты в момент перехода между шинами питания. В качественных современных усилителях класса G эта проблема успешно решается.
- Потенциально большие требования к конденсаторам фильтра на высоковольтных шинах.
- Плюсы:
Вывод и когда что выбрать:
- Класс AB: Идеален, когда стоимость и простота приоритетны, а высокий КПД не является критическим требованием. Отличный выбор для большинства бытовых Hi-Fi и студийных усилителей среднего класса, где тепловыделение и энергопотребление можно компенсировать адекватным радиатором и блоком питания. Дает отличное качество звука.
- Класс G: Идеален, когда высокий КПД и низкое тепловыделение критически важны без существенного компромисса по качеству звука. Отличный выбор для:
- Мощных усилителей (домашние кинотеатры, PA-системы), где тепловыделение AB было бы огромным.
- Компактных усилителей с ограниченным пространством для радиаторов.
- Автомобильных усилителей (где энергия от аккумулятора ограничена).
- Любых применений, где важна энергоэффективность.
- Ожидается чуть более высокая стоимость, но взамен получается современное, эффективное решение с мощным звуком.
В итоге: Класс G — это эволюция класса AB, направленная на решение его главной слабости — низкого КПД на средних уровнях громкости. Хорошо спроектированный класс G звучит не хуже AB, но при этом гораздо «холоднее» и экономичнее. Выбор зависит от бюджета, требований к мощности, габаритам и энергопотреблению.
