
Самая простая (не считая полностью механических) реализация селектора входов для усилителя.
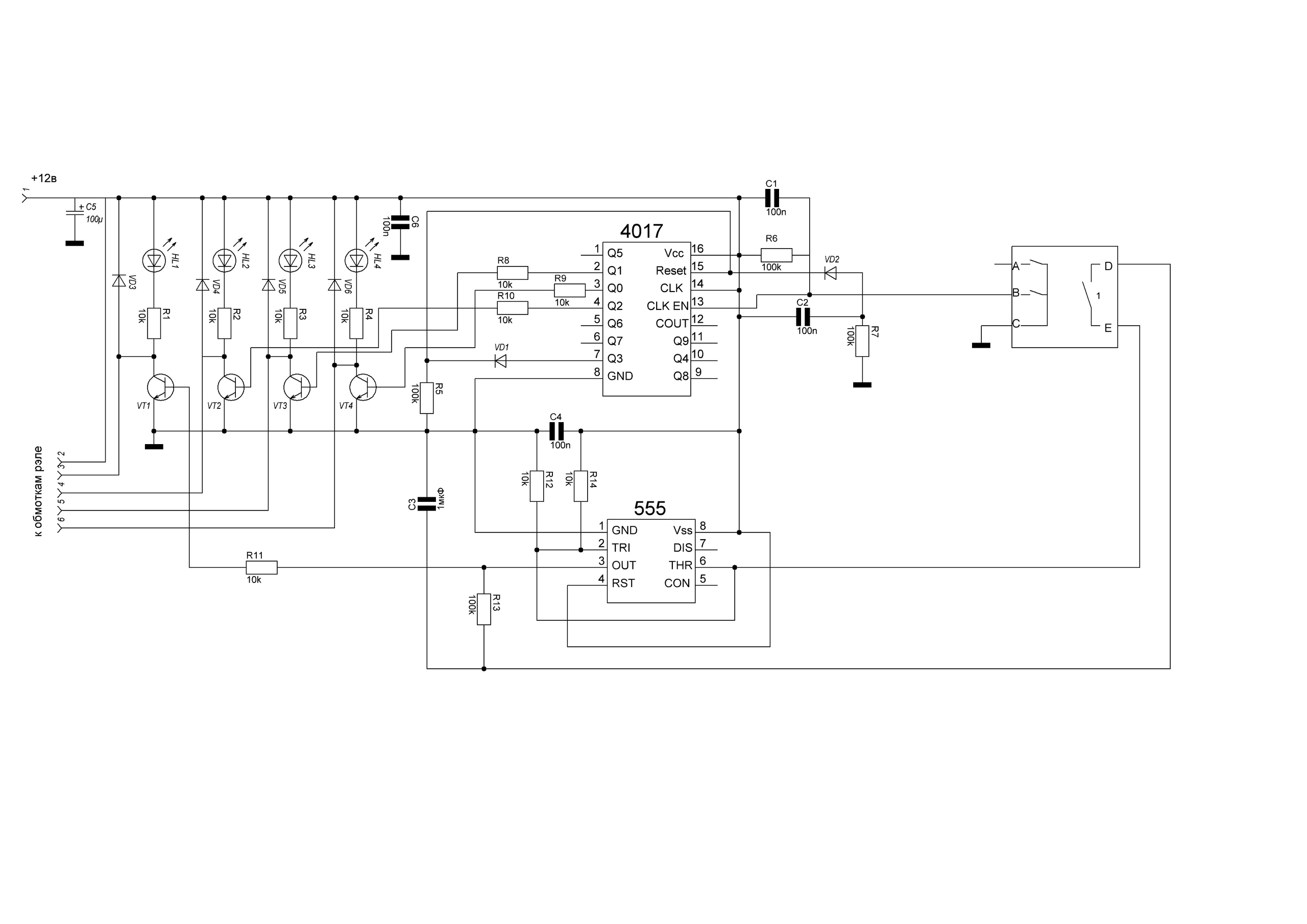
В представляемом схемотехническом решении реализовано управление тремя входами с функцией «тихо» (mute). Количество переключаемых входов легко может быть увеличено до 10 (ограничение накладывается применяемой микросхемой счетчика-делителя CD4017B).
Кроме того применение микросхемы CD4017B так же накладывает еще и ограничение на то, что выбор входов осуществляется последовательным перебором от первого к последнему, без возможности переключения в обратную сторону.
В качестве органа управления используется энкодер с кнопкой — PEC11R-24/24.
Состояние селектора визуализируется светодиодной индикацией. Напряжение питание платы управления +12В.
Важно! Данное схемотехническое решение не является источником помех в ВЧ диапазоне, что исключает негативное влияние на входные и коммутационные цепи УМЗЧ.

